STR系列C型软启动器
产品简介:
STR-C概述:STR系列C型智能交流电动机软起动器是采用电力电子技术、微处理器技术及现代控制理论设计生产的具有当今国际先进水平的新型电机起动设备。该产品能有效地限制异步电动机起动时的起动电流,可广泛应用于风机、水泵、输送类及压缩机等负载,是传统的星/三角转换、自耦降压、磁控降压等降压起动设备的理想换代产品。
作用:
◆ 降低电动机的起动电流,减少配电容量,避免增容投资;
◆ 减少起动应力,延长电动机及相关设备的使用寿命;
◆ 平稳的起动和软停车避免了传统起动设备的喘振问题、水锤效应;
◆ 多种起动模式及宽范围的电流、电压设定,可适应多种负载场合,改善工艺;
◆ 完善可靠的保护功能,更有效的保护电动机及相关设备的安全;
◆ 可用于频繁起、停的场合。
特点:
◆采用高性能微处理器,抗干扰能力强,性能稳定。
◆六种起动方式:电压斜坡、电流限流、电压斜坡+限流、点动、电流斜坡、电压斜坡+突跳。适用各种负载类型,达到最佳起 动效果。
◆三种停车方式:自由停车、软停车、制动停车。
◆两种运行方式:运行中允许晶闸管开通和禁止晶闸管开通,可设置选择。
◆电源适应范围宽:AC150V~AC500V,可在进线电压过低或过高的工况下正常工作。
◆多种保护功能:电机过流、三相电流不平衡(不平衡度可设置)、过热、缺相、过压、欠压、过载(6种过载级别,可设置)等。
◆多种检测功能:进线电压检测、A、B、C三相电流检测。
◆故障记忆功能:可记录最后三次故障以及故障发生信息,便于分析故障原因。
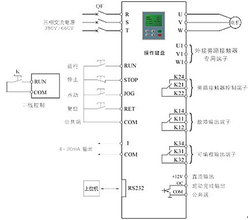
◆RS232(RS485)通讯接口,采用MODBUS RTU标准协议,可通过上位机进行参数设置、操作及监测。
◆可通过键盘对软起动器参数进行设置,键盘可在通电状态下热插拔,并具有键盘参数下载、软起动器参数上载功能。
◆大屏幕中/英文液晶显示界面:七色背光可显示软起动器的不同工作状态。
◆多种输出功能:旁路、故障、可编程继电器(可设置动作阶段)、并具有4~20mA模拟输出功能。
软起动器起动波形图
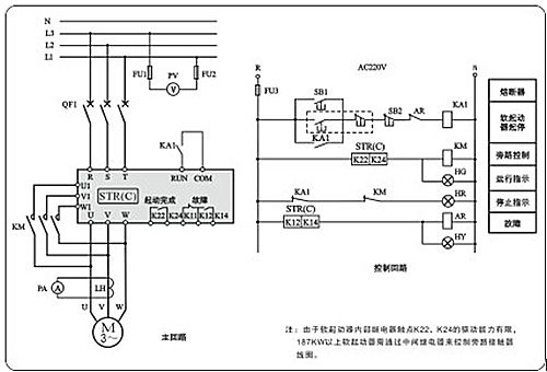
电路示意图
典型原理图
网络化控制
STR C型软起动器具有RS232(RS485)通讯功能,可通过总线方式对多台(64台))软起动器进行集中控制及监控,通讯协议采用MODBUS RTU标准通讯协议。
规格尺寸
|
格型号 |
适配电机功率 |
外形尺寸(mm) |
重 量 |
||
|
宽 |
高 |
厚 |
|||
|
STR008C-3 |
7.5 |
175 |
270 |
225 |
5 |
|
STR015C-3 |
15 |
||||
|
STR022C-3 |
22 |
||||
|
STR030C-3 |
30 |
||||
|
STR037C-3 |
37 |
205 |
300 |
235 |
11 |
|
STR045C-3 |
45 |
||||
|
STR055C-3 |
55 |
||||
|
STR075C-3 |
75 |
||||
|
STR090C-3 |
90 |
300 |
490 |
250 |
35 |
|
STR110C-3 |
110 |
||||
|
STR132C-3 |
132 |
||||
|
STR160C-3 |
160 |
||||
|
STR187C-3 |
187 |
472 |
530 |
310 |
45 |
|
STR200C-3 |
200 |
||||
|
STR250C-3 |
250 |
||||
|
STR280C-3 |
280 |
||||
|
STR320C-3 |
320 |
||||
|
STR400C-3 |
400 |
||||
|
STR450C-3 |
450 |
||||
|
STR500C-3 |
500 |
||||
点击数:3182 【打印此页】